71493 Double-Cut Profile Universal T-Track (24 inch) w/Intersection Kit and W...

$ 16.4

Package Dimensions LxWxH: 25.0x1.5x1.5 Inches Type: Does not apply EAN: 0843441104599 UPC: 843441104599 ISBN: 0843441104599 Weight: 1.05 Pounds gtin13: 0843441104599 Brand: POWERTEC Size: One Size

Description

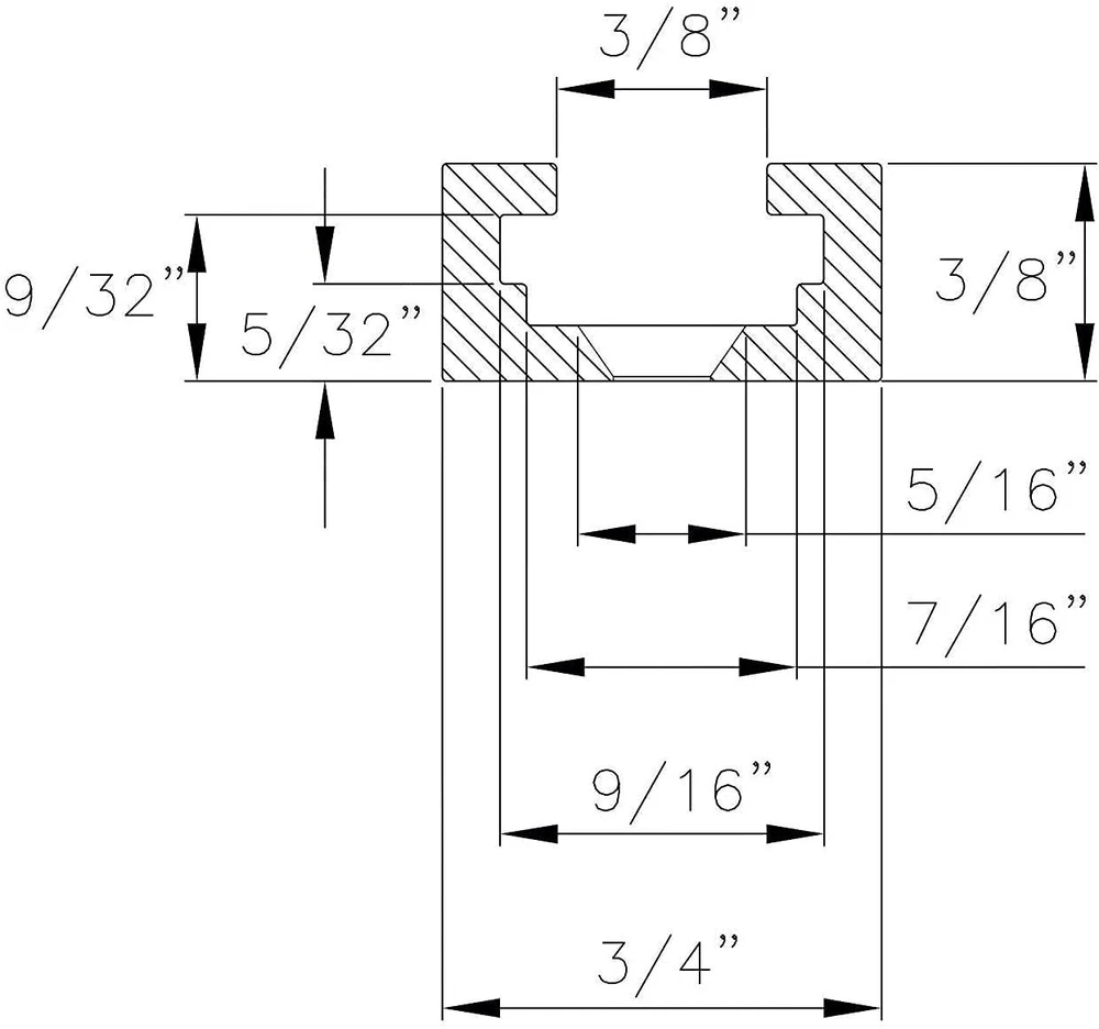
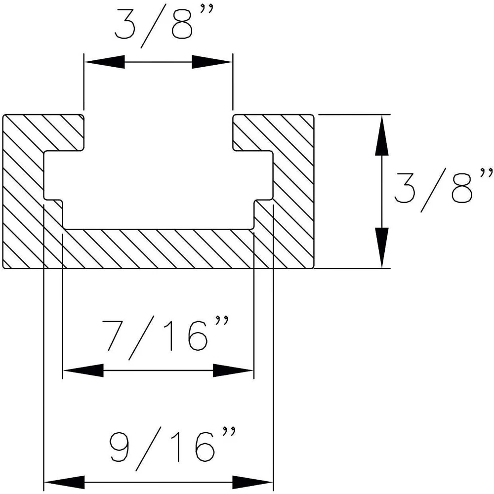
Introducing the 24” Universal T-Track and Intersection Kit by . Part of universal t-track system, this all-purpose collection of t-track accessories was designed to help provide you with a limitless amount worktable configurations, while optimizing your jigs, fixtures and workbenches. Universal T-Track Features Possesses a unique double-cut profile with an inside groove that accepts standard 1/4 inch hex bolts, 1/4 inch T bolts and 5/16 inch T bolts. This makes it more cost effective and easier for you to maximize both, your new and previously owned hardware. They are easy to use and can either be embedded in a workstation board itself, or simply attached onto the tabletop. Each track is equipped with pre-drilled mounting holes for simple installation (screws included). It’s ideal for anyone building or tailoring machine tables, jigs and fixtures. Intersection Kit Allows you to install multiple t-track configurations and optimize your t-track jigs and fixtures. Once assembled, this handy kit forms perpendicular tracks (intersection), giving you the ability to slide your jigs and fixtures in almost any direction. Each track (3/4” width) features a 90-degree angle on end that accurately fits with its matching components to form a perfect intersection. All-In-This multi-function combo gives you everything you need to move around and configure your t-track components, such as clamps, hold-downs, stops and more, in almost every direction to suit your project requirements. With a touch of imagination, skill and creativity, the possibilities are limitless with this essential kit. INCLUDES: (2) 24-inch Universal T-Tracks (1) T Track Intersection Kit and Wood Screws UNIVERSAL T-TRACKS: Feature a double-cut design with a smooth and straight profile, delivering optimal hardware versatility – Comes with pre-drilled mounting holes for easy installation INTERSECTION KIT: Allows you to install your t-track assembly in an assortment of practical configurations, sliding your jigs and fixtures in a variety of directions VERSATILE DESIGN: Universal t track designed to accommodate 5/16” and 1/4” t-bolts, and 1/4” hex bolts PREMIUM BUILD: T-Tracks and Intersection components are constructed out of anodized aluminum, providing you with long-term durability, anti-corrosion and wear resistance